본문 바로가기

LC8224S

[카스스케일] LC8217,LC8218 시리즈 / 트럭스케일용 로드셀 / 에이엔디 / AND LC8217,LC8218 시리즈 / 트럭스케일용 로드셀 / 에이엔디 / AND ​에이엔디(AND)사의 트럭스케일용 로드셀인LC8217,LC8218 시리즈(Tool Steel)을 소개합니다. ​로드셀(Lo​ad cell)은 하중계나 하중센서 또는 힘센서라고 불리우며, 쉽게 설명드리면 힘 또는 하중을 측정하기 위한 변환기로서 출력을전기적으로 편리하게 꺼낼 수 있는 것을 지칭합니다.​ ​ ​제품설명- 트럭스케일 전용 로드셀: 10tf~25tf - 설치 용이, 니켈도금 합금 - 충격이나 횡하중에 강한 구조, 저렴한 가격 - 방진,방수등급: IP 67 기준에 의한 설계 ​구매가능 제품 모델명LC8217-T025 / 정격용량(질량): 25tfLC8218-T015 / 정격용량(질량): 15tf​LC8218-T010 .. 더보기
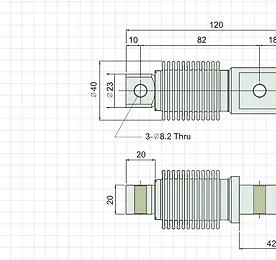
[카스스케일] LC8224S,LC8224SA 시리즈 / 트럭스케일용 로드셀 / 에이엔디 / AND LC8224S,LC8224SA 시리즈 / 트럭스케일용 로드셀 / 에이엔디 / AND ​에이엔디(AND)사의 트럭스케일용 로드셀인LC8224S,LC8224SA 시리즈를 소개합니다. ​로드셀(Lo​ad cell)은 하중계나 하중센서 또는 힘센서라고 불리우며, 쉽게 설명드리면 힘 또는 하중을 측정하기 위한 변환기로서 출력을전기적으로 편리하게 꺼낼 수 있는 것을 지칭합니다.​ ​ ​ 제품설명- 트럭스케일용 로드셀: 20tf~30tf - 강한 구조와 설치가 용이 - 측면의 힘 또는 강한 충격에 강한 구조 - 서지(낙뢰) 보호, 회전방지 - 방진,방수등급: IP 68 모델 별 정격용량LC8224S-T020 : 20tfLC8224S-T025 : 25tfLC8224S-T030 : 30tf ​ 제품 상세 MODELLC8.. 더보기
[카스스케일] LCSP 시리즈 / 로드셀 / SUS타입 / 에이엔디 / AND LCSP 시리즈 / 로드셀 / SUS타입 / 에이엔디 / AND ​​​AND사의 크레인스케일, 호이스트용 로드셀인 LCSP 시리즈를 소개합니다. ​제품설명 제품 모델정격용량(질량)LCSP-T005C/B5 tfLCSP-T010C/B10 tfLCSP-T025C/B25 tfLCSP-T050C/B50 tfLCSP-T080C/B80 tfLCSP-T200C/B200 tfLCSP-T300C/B300 tfLCSP-T400C/B400 tf - 크레인에 손쉽게 적용 - 강한 구조와 설치가 용이 - 옵션: 블루투스-RF 통신 (인디케이터와 로드셀) - 방진방수등급: IP 67 기준에 의해 설계​ 제품에 대한 문의사항은 아래 연락처로 연락주시면 친절히 상담해 드리겠습니다.네임카드를 클릭하시면 카스스케일 홈페이지로 이동합니다. 더보기
[카스스케일] SPIN 시리즈 / 로드셀 / SUS타입 / 에이엔디 / AND SPIN 시리즈 / 로드셀 / SUS타입 / 에이엔디 / AND ​ AND사의 크레인스케일용 로드셀 SPIN 시리즈를 소개합니다. 제품설명 제품 모델정격용량(질량)SPIN3 tf~200 tf - 과부하 방지 적용 - PIN 타입 로드셀 - 방진방수등급: IP 66 기준에 의한 설계 - 재질은 스테인레스 스틸(Stainless Steel) 제품에 대한 문의사항은 아래 연락처로 연락주시면 친절히 상담해 드리겠습니다.네임카드를 클릭하시면 카스스케일 홈페이지로 이동합니다. 더보기
[카스스케일] LCXYZ 시리즈 / 로드셀 / SUS타입 / 에이엔디 / AND LCXYZ 시리즈 / 로드셀 / SUS타입 / 에이엔디 / AND​​​AND사의 다축용 로드셀(X축,Y축 Z축)인 LCXYZ 시리즈를 소개합니다. 제품설명 - 완전 밀폐구조, 박형, 고정밀 - 방진방수등급: IP 67 기준에 의한 설계 - 6-LOAD CELL 제품 모델정격용량(질량)LCXYZ2 kgf~50 kgf 제품에 대한 문의사항은 아래 연락처로 연락주시면 친절히 상담해 드리겠습니다.네임카드를 클릭하시면 카스스케일 홈페이지로 이동합니다. 더보기
[카스스케일] LC4221 시리즈 / 로드셀 / SUS타입 / 에이엔디 / AND LC4221 시리즈 / 로드셀 / SUS타입 / 에이엔디 / AND ​​​AND사의 밀폐구조형, Beam형 로드셀인 LC4221 시리즈를 소개합니다. 플랫폼, 탱크 스케일용으로 사용 가능하며 스테인레스 스틸(Stainless Steel)로 구성되어 있습니다. ​제품설명 - 스테인레스로 소형이고 가벼움 - 열악한 환경에서도 높은 신뢰성 실현 - 인장, 압축 겸용 - 방진방수등급: IP 67 기준에 의한 설계​​ 제품 모델정격용량(질량)LC4221-K01010 kgfLC4221-K02020 kgfLC4221-K05050 kgfLC4221-K100100 kgfLC4221-K200200 kgfLC4221-K300300 kgf 제품에 대한 문의사항은 아래 연락처로 연락주시면 친절히 상담해 드리겠습니다.네임카드를 .. 더보기
[카스스케일] LCM13 시리즈 / 로드셀 / SUS타입 / 에이엔디 / AND LCM13 시리즈 / 로드셀 / SUS타입 / 에이엔디 / AND​​ ​AND사의 Beam형 로드셀인 LCM13 시리즈를 소개합니다. 탱크, 플랫폼 스케일용으로 사용 가능하며 스테인레스 스틸(Stainless Steel)로 구성되어 있습니다. ​제품설명 - 내부식성을 요하는 플랫폼 스케일, 탱크 스케일의 구축에 최적 - 취급 설치가 간단 - 인장, 압축 겸용 - 방진방수등급 IP 67 제품 모델정격용량(질량)LCM13K100100 kgfLCM13K200200 kgfLCM13K300300 kgfLCM13K500500 kgfLCM13T0011 tfLCM13T0022 tfLCM13T0033 tfLCM13T0055 tf 제품에 대한 문의사항은 아래 연락처로 연락주시면 친절히 상담해 드리겠습니다.네임카드를 클릭하.. 더보기
[카스스케일] LC8421S 시리즈 / 로드셀 / SUS타입 / 에이엔디 / AND LC8421S 시리즈 / 로드셀 / SUS타입 / 에이엔디 / AND​​​AND사의 호퍼/체커/벤치스케일용 로드셀인 LC8421S 시리즈를 소개합니다. ​ 제품설명 - 방진, 방수등급: IP 67 기준에 의한 설계 - 표준 사이즈 및 표준 형태 - 스테인레스 스틸 구조​ 제품 모델정격용량(질량)LC8421-K02020 kgfLC8421-K05050 kgfLC8421-K100100 kgfLC8421-K200200 kgfLC8421-K500500 kgf 제품에 대한 문의사항은 아래 연락처로 연락주시면 친절히 상담해 드리겠습니다.네임카드를 클릭하시면 카스스케일 홈페이지로 이동합니다. 더보기
[카스스케일] LCC07 시리즈 / 로드셀 / SUS타입 / 에이엔디 / AND LCC07 시리즈 / 로드셀 / SUS타입 / 에이엔디 / AND ​​​AND사의 밀폐구조형 로드셀인 LCC07 시리즈를 소개합니다. 탱크, 호퍼용으로 사용가능하며 스테인레스 스틸(Stainless Steel)로 구성되어 있습니다. ​제품설명 - 스텐레스 용접밀폐구조로 스토퍼장치 부착, 이탈방지 - 식품화학 분야에 적합한 스테인레스 스틸 구조 - 압축형 - 방진, 방수등급: IP 67 기준에 의한 설계​ 제품 모델정격용량(질량)LCC07K500500 kgfLCC07T0011 tfLCC07T0022 tfLCC07T0033 tfLCC07T0055 tf 제품에 대한 문의사항은 아래 연락처로 연락주시면 친절히 상담해 드리겠습니다. 네임카드를 클릭하시면 카스스케일 홈페이지로 이동합니다. 더보기
[카스스케일] LC8102/8102U/8102S/8102SU 시리즈 / 로드셀 / 에이엔디 / AND LC8102/8102U/8102S/8102SU 시리즈 / 로드셀 / 에이엔디 / AND AND사의 호퍼스케일용 로드셀인 LC8102/8102U/8102S/8102SU 시리즈를 소개합니다. 제품설명 - 완전 밀폐구조/박형,고정밀 - 우수한 내피로 특성 - 측하중에 강한 구조 - 인장, 압축 겸용 - 재질은 스테인레스 스틸(8102S,8102SU) 제품 모델정격용량(질량)LC8102/U-EP-T0011 tfLC8102/U-EP-T0022 tfLC8102/U-EP-T0033 tfLC8102/U-EP-T0055 tfLC8102/U-EP-T01010 tfLC8102/U-EP-T02020 tfLC8102/U-EP-T05050 tfLC8102/U-EP-T100100 tfLC8102/U-EP-T200200 tf 제품 .. 더보기